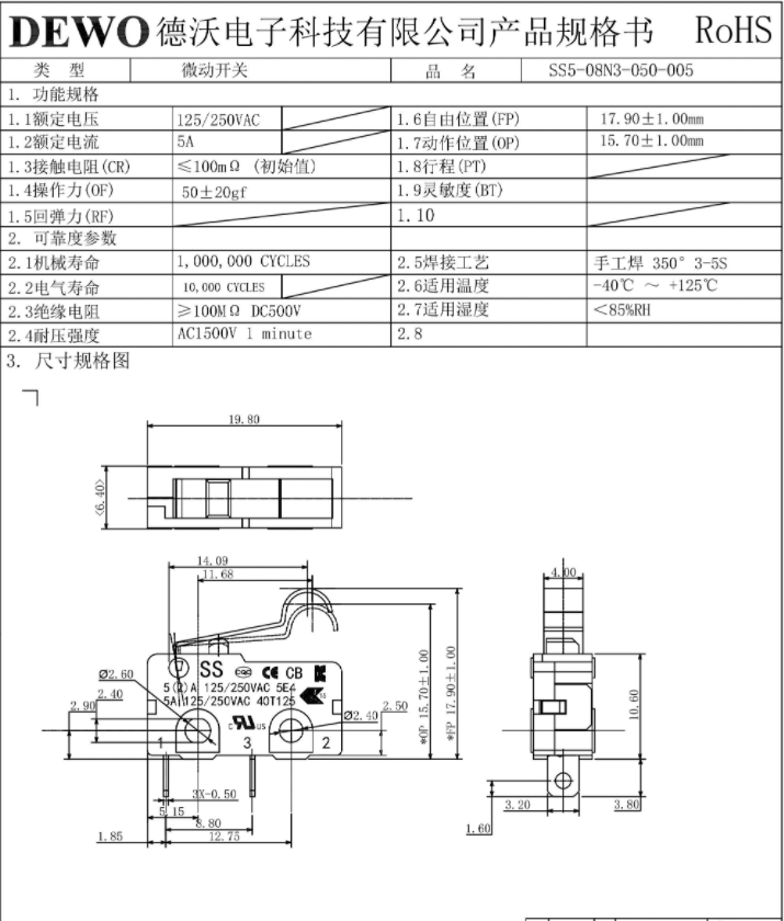
Rating:
5A 125/250VAC
3A 125/250VAC
0.1A 125/250VAC
Contact Resistance:≤100mΩ Max
Insulation Strength:≥100mΩ DC500V
Temperature: 40T125
Test Voltage: AC1500V 1 minute
Operating Force:0.29N-2.98N
Free position:17.9mm±1.0mm
Operating position:15.7mm±1.0mm
Terminal type:Solder terminal/Straight PCB terminal/110 quick connect terminal/ left side PCB terminal/ right side PCB terminal
Soldering Temperature:350℃ 3-5S
Ambient Temper.Used: -40℃~+125℃
Electronical life: 5E4
Mechanical life:1,000,000 cycles
Function: SPDT/SPST-NO/SPST/NC
new energy vehicles, home appliances,electronic communication
equipment, DR equipment, industrial equipment,etc.
UL, CQC, ENEC,IATF, KC and SO ON

